Login für Abonnenten

Please log in to read subscribed content.




  • Content
  • Events Calendar
  • Editorial team
  • Subscription
  • Media
  • Newsletter
wire
wire
  • Reports
  • Business
  • Research + Development
  • Products
  • Whitepaper
  • Call umformtechnik.net
  • Issues digital
search.box
  • Content
    • Reports
    • Business
    • Research + Development
    • Products
    • Whitepaper
    • Call umformtechnik.net
    • Issues digital
  • Events Calendar
  • Editorial team
  • Subscription
  • Media
  • Newsletter

03/08/2019

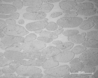
Forming without changing mechanical properties

A new process makes it possible to process round rods based on tungsten with a 63% degree of deformation. The result is lengths up to 720mm instead of the previous maximum of 320mm at a diameter of 10.5mm. The loss of material due to the machining finish is reduced to a quarter.

Next image
Rundkneten.jpg

© Wolfram Industrie

 
Rundkneten.jpg

© Wolfram Industrie

 
Vergleich.jpg

© Wolfram Industrie

 
Triamet.jpg

© Wolfram Industrie

 
Verformtes-Schwermetall-01.jpg

© Wolfram Industrie

 
Verformtes-Schwermetall-02.jpg

© Wolfram Industrie

 
Wolfgang-Jung.jpg

 
Back to article

Further articles for:

  • Wolfram Industrie

Gesellschaft für Wolfram Industrie mbH

  Show company
  • Most read
  • Latest

06/04/2026

Heat treatment

The future of heat treatment and sustainable production

By  Jörg Dambock

02/04/2026

A long-term vision for spring manufacturing

Coiling the future

By  Jörg Dambock

11/04/2026

Lämneå Bruk expands at “wire” Düsseldorf

Live innovation from payoff to rewinding

By  Jörg Dambock

14/04/2026

wire 2026

WIRE at wire 2026

By  Jörg Dambock

09/04/2026

World first in wire drawing at “wire 2026”

Oil- and Volatile Organic Compounds free corrosion protection

By  Jörg Dambock

16/04/2026

Wet blasting

Precision finishing for memory wire

By  Jörg Dambock

16/04/2026

wire 2026

Day 3 at wire 2026

By  Jörg Dambock

15/04/2026

Metal recycling solutions

Green steel: why scrap metal is key to cutting CO2

By  Jörg Dambock

15/04/2026

wire 2026

Day 2 at wire 2026

By  Jörg Dambock

14/04/2026

Wireco introduces “Durascend”

Rotation-resistant rope for cranes

By  Jörg Dambock

  • Meisenbach Verlag
  • Imprint
  • Data Privacy
  • Media
  • LinkedIn
  • RSS Feed
Meisenbach Logo